Uitbreiding: TANK-Control II
TANK-Control II
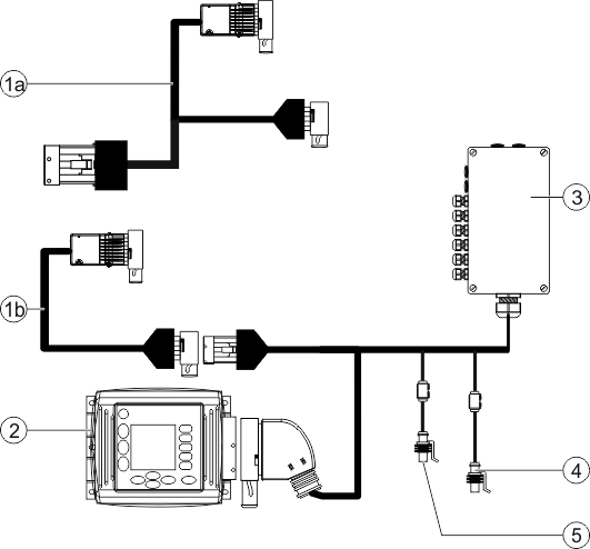
Aansluiting op het hoofdsysteem of aan een systeemuitbreiding, met de mogelijkheid meer uitbreidingen aan te sluiten. | Kabellengte - artikelnummers: 1 m - 3030308901 | |
Aansluiting op het hoofdsysteem of op een systeemuitbreiding | 1 m - 30303089 | |
Bedieningsapparaat en computer TANK-Control II. | 30252060 | |
Signaalverdeler | 30252076 | |
Aansluiting voor niveausensor 1 | ||
Aansluiting voor niveausensor 2 |


