Upgrade: TANK-Control II
TANK-Control II
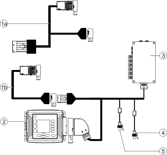
Collegamento al sistema principale o per l'upgrade del sistema, con la possibilità di ulteriori espansioni. | Lunghezza del cavo - codice articolo: 1m - 3030308901 | |
Collegamento al sistema principale o per l'upgrade del sistema | 1m - 30303089 | |
Dispositivo di controllo e computer TANK-Control II. | 30252060 | |
Separatore | 30252076 | |
Connettore per il sensore di livello 1 | ||
Connettore per il sensore di livello 2 |


