Extension: TANK-Control II
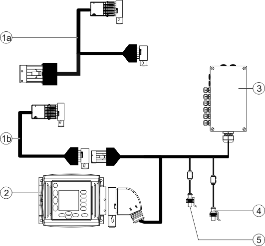
TANK-Control II
Connection to the main system or to a system add-on, with the option of connecting further add-ons. | Cable length - Item number: 1m - 3030308901 | |
Connection to the main system or to a system add-on | 1m - 30303089 | |
TANK-Control II - Operating device and computer. | 30252060 | |
Junction box | 30252076 | |
Connection for TANK-Control sensor 1 | ||
Connection for TANK-Control sensor 2 |


